【雕爷学编程】Arduino动手做(45)---红外避障传感器
来源:     阅读:661
云上智慧
发布于 2020-04-24 15:19
查看主页

37款传感器与模块的提法,在网络上广泛流传,其实Arduino能够兼容的传感器模块一定是不止37种的。鉴于本人手头积累了少量传感器和模块,依如实践出真知(肯定要动手做)的理念,以学习和交流为目的,这里准备逐一动手试试做试验,不论成功与否,都会记录下来---小小的进步或者是搞不定的问题,希望能够抛砖引玉。?

【Arduino】168种传感器模块系列试验(资料+代码+图形+仿真)

试验四十五:红外避障传感器模块(光电接近开关)


红外对管

是红外线发射管与光敏接收管,或者者红外线接收管,或者者红外线接收头配合在一起使用时候的总称。在光谱中波长自0.76至400微米的一段称为红外线。红外线发射管在LED封装行业中主要有三个常用的波段,如下850NM、875NM、940NM。根据波长的特性运用的产品也有很大的差异,850NM波长的主要用于红外线监控设施,875NM主要用于医疗设施,940NM波段的主要用于红外线控制设施,如红外线遥控器、光电开关、光电计数设施等。


红外线发射管(IR LED)

也称红外线发射二极管,属于二极管类。它是可以将电能直接转换成近红外光(不可见光)并能辐射出去的发光器件,主要应用于各种光电开关、触摸屏及遥控发射电路中。红外线发射管的结构、原理与普通发光二极管相近,只是使用的半导体材料不同。红外发光二极管通常使用砷化镓(GaAs)、砷铝化镓(GaAlAs)等材料,采用全透明或者浅蓝色、黑色的树脂封装。


主要参数

发射距离、发射角度(15度、30度、45度、60度、90度、120度、180度)、发射的光强度、波长。以上为物理参数,需理解其电性能参数:市场上常用的直径3mm,5mm为小功率红外线发射管,8mm,10mm为中功率及大功率发射管。小功率发射管正向电压:1.1-1.5V,电流20mA,中功率为正向电压:1.4-1.65V 50-100mA,大功率发射管为正向电压:1.5-1.9V200-350mA.煜星电子做出1-10W大功率红外线发射管可应用于红外监控照明。


工作原理

普通的的红外线发射管外形和一般的可见光LED类似,但却是发出红外线。其管压一般降约1.4v,工作电流一般小于20mA。为了适应不同的工作电压,回路中常常串有限流电阻。发射红外线去控制相应的受控装置时,其控制的距离与发射功率成正比。为了添加红外线的控制距离,红外发光二极管工作于脉冲状态,由于脉动光(调制光)的有效传送距离与脉冲的峰值电流成正比,只要尽量提高峰值Ip,就能添加红外光的发射距离。提高Ip的方法,是减小脉冲占空比,即压缩脉冲的宽度T,少量彩电红外遥控器,其红外发光管的工作脉冲占空比约为1/3-1/4;少量电器产品红外遥控器,其占空比是1/10。减小脉冲占空比还可使小功率红外发光二极管的发射距离大大添加。普通的红外发光二极管,其功率分为小功率(1mW-10mW)、中功率(20mW-50mW)和大功率(50mW-100mW以上)三大类。要使红外发光二极管产生调制光,只要在驱动管上加上肯定频率的脉冲电压。红外发光二极管发射红外线去控制受控装置时,受控装置中均有相应的红外光一电转换元件,如红外接收二极体,光电三极管等。


红外光

是太阳光线中众多不可见光线中的一种,由英国科学家赫歇尔于1800年发现,又称为红外热辐射,热作用强。他将太阳光用三棱镜分解开,在各种不同颜色的色带位置上放置了温度计,试图测量各种颜色的光的加热效应。结果发现,位于红光外侧的那支温度计升温最快。因而得到结论:太阳光谱中,红光的外侧必定存在看不见的光线,这就是红外线。也可以当作传输之媒介。 太阳光谱上红外线的波长大于可见光线,波长为0.75~1000μm。红外线可分为三部分,即近红外线,波长为(0.75-1)~(2.5-3)μm之间;中红外线,波长为(2.5-3)~(25-40)μm之间;远红外线,波长为(25-40)~l500μm 之间。


红外线(Infrared)

是波长介于微波与可见光之间的电磁波,波长在1mm到760纳米(nm)之间,比红光长的非可见光。高于绝对零度(-273.15℃)的物质都可以产生红外线。现代物理学称之为热射线。医用红外线可分为两类:近红外线与远红外线。含热能,太阳的热量主要通过红外线传到地球。如图所示,我们把红光之外的辐射叫做红外线(紫光之外是紫外线),肉眼不可见。可见光是指肉眼可见的光波域从400nm(紫光)到700nm(红光),而波长760nm到1mm之间的光称为红外线,是一种肉眼看不到的光。借助少量光学设施,我们可以感受到红外线,通常红外线摄像机接收到红外线后会将其转化为可见的绿光,我们的肉眼永远见不到真正的红外线。电影中常出现的能看到红外线的眼镜也是不存在的。


红外线接收管

是在LED行业中命名的,是专门用来接收和感应红外线发射管发出的红外线光线的。一般情况下都是与红外线发射管成套运用在产品设施当中。红外线接收管有两种,一种是光电二极管,另一种是光电三极管。光电二极管就是将光信号转化为电信号,光电三极管在将光信号转化为电信号的同时,也把电流放大了。因而,光电三极管也分为两种,分别是NPN型和PNP型。红外接收管的作用是进行光电转换,在光控、红外线遥控、光探测、光纤通信、光电耦合等方面有广泛的应用。


工作原理

红外线接收管是将红外线光信号变成电信号的半导体器件,它的核心部件是一个特殊材料的PN结,和普通二极管相比,在结构上采取了大的改变,红外线接收管为了更多更大面积的接受入射光线,PN结面积尽量做的比较大,电极面积尽量减小,而且PN结的结深很浅,一般小于1微米。红外线接收二极管是在反向电压作用之下工作的。没有光照时,反向电流很小(一般小于0.1微安),称为暗电流。当有红外线光照时,携带能量的红外线光子进入PN结后,把能量传给共价键上的约束电子,使部分电子挣脱共价键,从而产生电子---空穴对(简称:光生载流子)。它们在反向电压作用下参与漂移运动,使反向电流显著变大,光的强度越大,反向电流也越大。这种特性称为“光电导”。红外线接收二极管在一般照度的光线照射下,所产生的电流叫光电流。假如在外电路上接上负载,负载上就取得了电信号,而且这个电信号随着光的变化而相应变化。


红外避障传感器模块(距离可调光电接近开关)


模块形容

该传感器模块对环境光线适应能力强,其有一对红外线发射与接收管,发射管发射出肯定频率的红外线,当检测方向遇到障碍物(反射面)时,红外线反射回来被接收管接收,经过比较器电路解决之后,绿色指示灯会亮起,同时信号输出接口输出数字信号(一个低电平信号),可通过电位器旋钮调节检测距离,有效距离范围 2~30cm,工作电压为 3.3V-5V。该传感器的探测距离可以通过电位器调节、具备干扰小、便于装配、使用方便等特点,可以广泛应用于机器人避障、避障小车、流水线计数及黑白线循迹等众多场合。

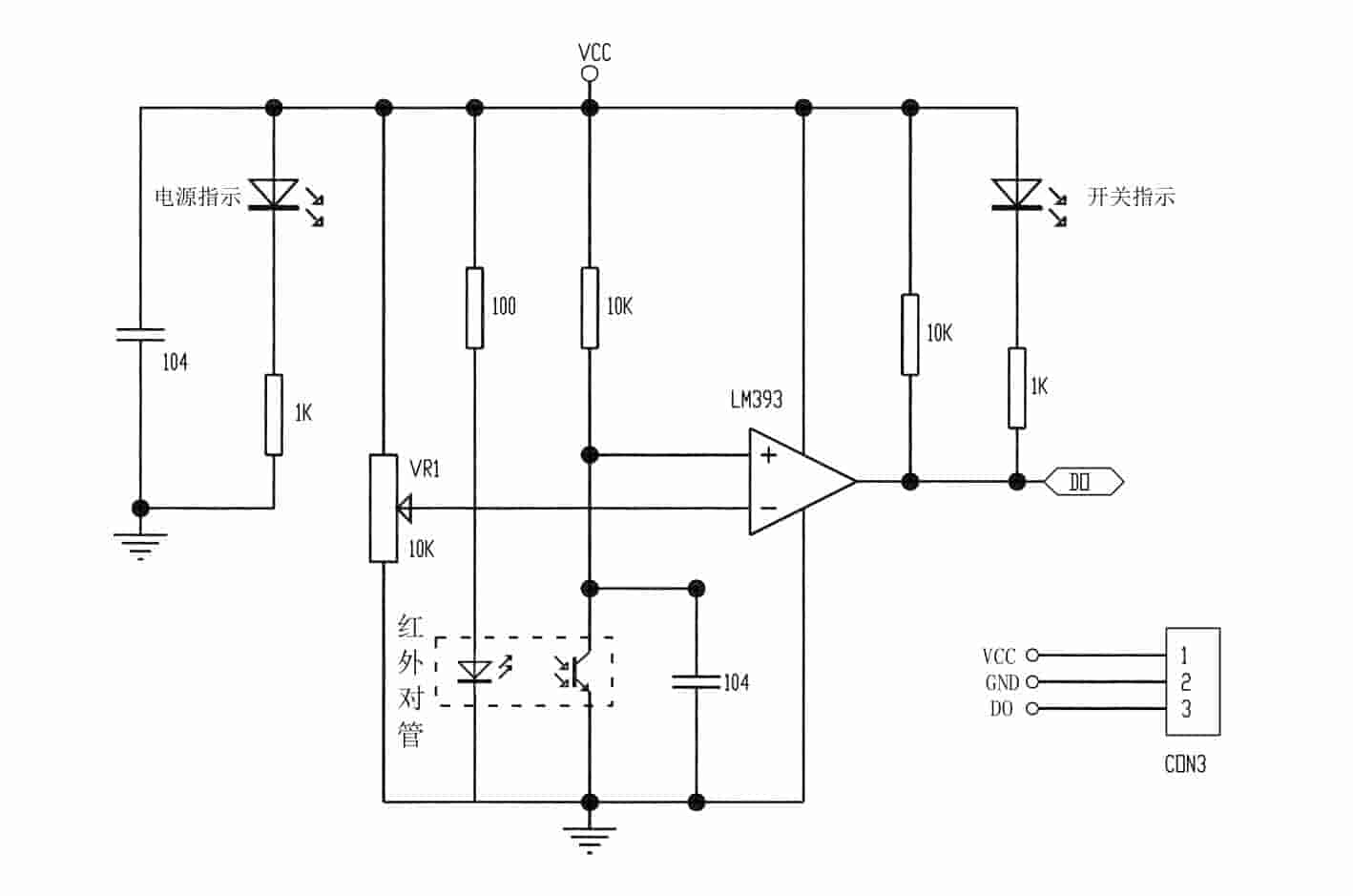
红外避障模块电原理图

模块参数说明

1 当模块检测到前方障碍物信号时,电路板上绿色指示灯点亮电平,同时 OUT端口持续输出低电平信号,该模块检测距离 2~30cm,检测角度 35°,检测距离可以通过电位器进行调节,顺时针调电位器,检测距离添加;逆时针调电位器,检测距离减少;

2、传感器主动红外线反射探测,因而目标的反射率和形状是探测距离的关键。其中黑色探测距离最小,白色最大;小面积物体距离小,大面积距离大;

3、传感器模块输出端口 OUT 可直接与单片机 IO 口连接就可,也可以直接驱动一个 5V 继电器;连接方式:VCC-VCC;GND-GND;OUT-IO;

4、比较器采用 LM393,工作稳固;

5、可采用 3-5V 直流电源对模块进行供电。当电源接通时,红色电源指示灯点亮;

6、具备 3mm 的螺丝孔,便于固定、安装;

7、电路板尺寸:3.2CM*1.4CM

8、每个模块已经将阈值比较电压通过电位器调节好,非特殊情况,请勿随便调节电位器。

模块接口说明

1 VCC 外接 3.3V-5V 电压(可以直接与 5v 单片机和 3.3v 单片机相连)

2 GND 外接 GND

3 OUT 小板数字量输出接口(0 和 1)


/*

【Arduino】168种传感器模块系列试验(45)

试验四十五:红外避障传感器模块(距离可调光电接近开关)

*/

void setup()

{

? ?? ?pinMode(3,INPUT);

? ?? ?pinMode(13,OUTPUT);

}

void loop()

{

??if (digitalRead(3)) {

? ?? ?digitalWrite(13,LOW);

??}

??else

??{

? ?? ?digitalWrite(13,HIGH);

? ?? ?delay(1000);

??}

}

试验的灵敏度比意料高少量,感应到单只手,40CM处即可触动开关了


免责声明:本文为用户发表,不代表网站立场,仅供参考,不构成引导等用途。 系统环境 服务器应用
相关推荐
企业开发app,如何才能在海量同质化APP中脱颖而出?
如何向小白解释 jQuery、CSS3 和 HTML5 的关系?(文末有福利)
iOS 13:更多系统APP和组件采用Swift编写
100天学习前台计划 DAY 0 | CSS基础
微信小程序快速开发上手
首页
搜索
订单
购物车
我的